1/5
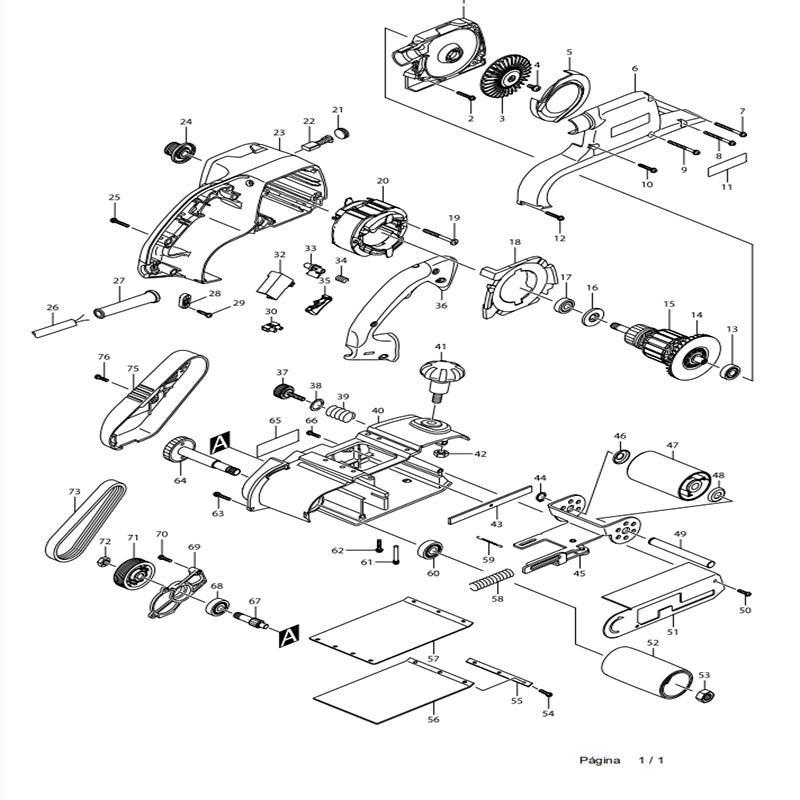
Suporte do Rolete para Lixadeira MBS400 163477-1 MAKITA
Frete grátis
R$7,18
R$0,00 com cupom
Please enable JavaScript on your browser.